ZW32-12 Outdoor Vacuum Circuit Breaker
ZW32-12 series outdoor high-voltage vacuum circuit breaker is an outdoor high-voltage switchgear with three-phase AC 50Hz and rated voltage of 12kV. Suitable for breaking and closing load current, overload current, and short-circuit current in urban or rural distribution systems.
Get a Quote
Overview
ZW32-12 series outdoor high-voltage vacuum circuit breaker is an outdoor high-voltage switchgear with three-phase AC 50Hz and rated voltage of 12kV. Suitable for breaking and closing load current, overload current, and short-circuit current in urban or rural distribution systems.
Operating Conditions
1. Altitude: ≤ 1000 meters
2. The environment temperature: upper limit +40℃, lower limit -40℃
3. Wind speed: < 35m/s
4.Temperature difference: less than 25℃
5. Pollution grade: IV class
6. There is no fire, explosion hazard, serious pollution, Places subject to chemical corrosion and severe vibration.
Model and meaning

Technical Data
| Item | Unit | Parameter | |||
| Rated voltage | kV | 12 | |||
| Rated current | A | 400 | 630 | 630 | |
| Rated short-circuit breaking current | kA | 12.5 | 16 | 20 | |
| Rated short-circuit closing current | 31.5 | 40 | 50 | ||
| Rated peak withstand current | 31.5 | 40 | 50 | ||
| Rated short-time withstand current | 12.5 | 16 | 20 | ||
| Rated short-circuit current duration | s | 4 | |||
| Rated insulation level | 1min power frequency withstand voltage | kV | 42/48 | ||
| Rated lightning impulse withstand voltage (peak) | 75/85 | ||||
| Rated operating sequence | / | O-0.3s-CO-180s-CO | |||
| Rated short-circuit current breaking times | Times | 30 | |||
| Mechanical life | 10000 | ||||
| Rated operation voltage | V | AC/DC220 | |||
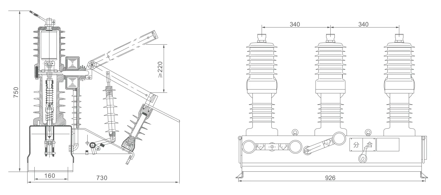
Overall and mounting dimensions(mm)

